卓越品質 科技創新
YB?-12高壓/低壓預裝式變電站
產品簡介
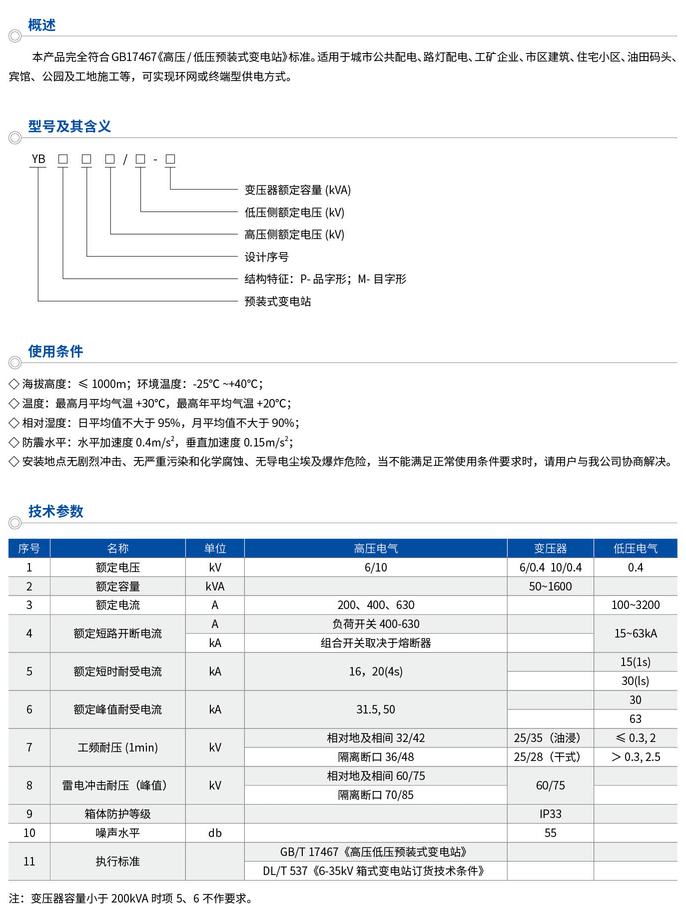
本產品完全符合GB17467《高壓/低壓預裝式變電站》標準。適用于城市公共配電、路燈配電、工礦企業、市區建筑、住宅小區、油田碼頭、賓館、公園及工地施工等,可實現環網或終端型供電方式。





